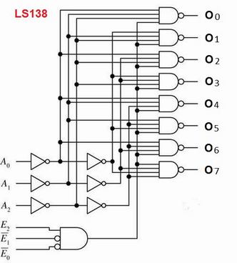
Pb.C. Aveti la dispozitie un circuit '193 (numarator up/down pe 4 biti) si un circuit '138 (decoder/DMUX1-8). Efectuati conexiunile necesare pentru a construi un numarator sincron care sa numere crescator intre 3 si 16! (4p)
Indicatie: Folositi GND/Vcc (de la C2) ca pini de iesire pentru starile L/H! Nu lasati in aer nici o intrare a circuitului! Pentru verificare simulati numaratorul in wronex! Vezi lab.
Vezi '193: Timming Diagr. | Lab. pinout



